
High Pressure Drop Throttle Valve
The large pressure drop throttle valve designed by Dazhong Valve Group is installed on the continuous sewage pipeline. The valve body and the bonnet are connected by DN50 threads, and DN32 by hooks and pins. Sterile stainless steel lining, the sealing surface of the valve seat is made of drill-based cemented carbide surfacing, and the medium flows in from the top of the valve disc.
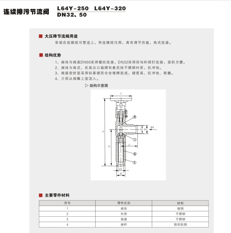
Installed on the continuous sewage pipeline for continuous sewage discharge, with adjustment performance, angle connection.
The valve body and bonnet DN50 are connected by thread, and DN32 is connected by hooks and pins, which are easy to assemble and disassemble.
The valve body is an angle type with austenitic stainless steel lining welded on its outlet end to resist erosion.
The sealing surface of the valve seat is made of drill-based cemented carbide, which has high hardness, erosion resistance and wear resistance. The medium flows in from the top of the valve disc.

